Scroll To Top

 

Manufacturer of Backshells & Connector Accessories

ISO9001:2015 | ITAR Registered | Small Business | DD2345 Enhanced JPC

818 998 1198

Request For Quote

 

EXX38

Cage Code 31461

DOWNLOAD PDF TO PRINT | RETURN

 

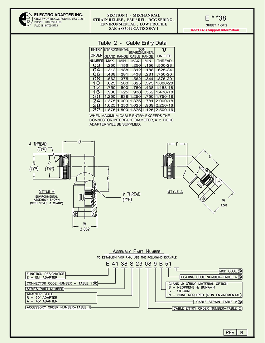
PICTORIAL FOR REFERENCE ONLY-CLICK ON 'DOWNLOAD PDF TO PRINT' FOR COMPLETE DRAWING

 

 

 

20640 Nordhoff Street, Chatsworth, CA. 91311

Ph: 818.998.1198

Fax: 818.709.5773

"Meeting our MIlitary Objectives Today and Beyond"

RFQ


You can submit a Request For Quote via this

 

RFQ PAGE

Quotes are always free with a prompt response.

CONTACT


Sales, Customer Service: USA / International

Mirna ext. 287

 

Sales@electro-adapter.com

Technical Support Part Number questions

Gary Fish/Sam Clarke ext. 285


Engr@electro-adapter.com

 

 

 

 

 

 

 

 

 

 

Wednesday, January 28, 2026
arrival: 1/28/2026
at: 12:31:13 AM

 

Visitor: 5641674

Online Now : 4

Copyright © 2010